


Высокочастотные приборы находят широкое применение в области связи и радиовещания, а также в лабораторных установках для проведения радиочастотных измерений (резонансные явления, плазма, ускорители частиц и т. п.). Быстродействующие ключи являются неотъемлемыми элементами вычислительных машин и других цифровых устройств. Высокочастотные и быстродействующие приборы — это линейные и цифровые устройства, работающие в той области частот, где работа схем начинает определяться эффектами межэлектродных емкостей, индуктивностями проводов, накоплением зарядов и длинами волн.

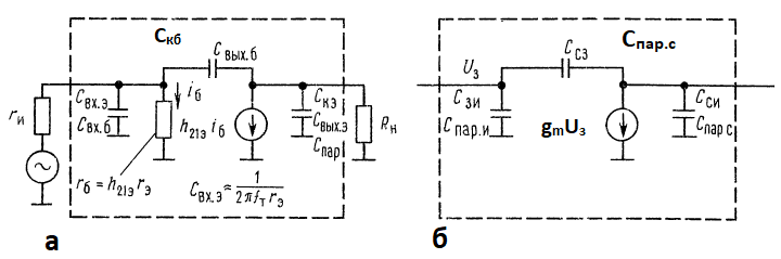
В таких усилителях, как усилители с общим эмиттером и с резисторной коллекторной нагрузкой, коэффициент усиления снижается с ростом частоты сигнала, как правило, из-за действия паразитных емкостей нагрузки и соединительных проводов. На рисунке ниже это показано пока в упрощенном виде.


















